Circuit analysis Tutorial
AKNM Circuit Magic- circuit analysis software
Using circuit magic to calculate circuit resistances
Circuit simplifications using star-to-delta, parallel and series transformations, seems
pretty powerful. It allows one to obtain resistances a circuit that has a planar, mesh structure
(the "window pane" structure). The term planar is used to describe circuits that can be drawn
in a plane without the need for wires to cross one another. Circuit Magic can help you to
obtain both planar and non-planar circuits resistances.
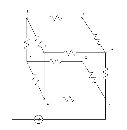
Sample circuit. Resistors resistances are different values (not simple, Try to simplify it
using star-to-delta, parallel and series transformationsü)

Step1. Connect node 1 and node 7 using branch with current
source (current =1 amps)

Step 2. Solve circuit using Node Voltage method
Step 2. Calculate circuit resistance using Ohms Law
