Circuit analysis Tutorial
AKNM Circuit Magic- circuit analysis software
Kirchhoff's Current Law (KCL)
KCL states that the algebraic sum of the currents in all the branches which converge in a
common node is equal to zero
S
Iin
= SIout
Kirchhoff's Voltage Law
Kirchhoff's Voltage Law states that the algebraic sum of the voltages between
successive nodes in a closed path in the network is equal to zero.
S
E
= SIR
Solution using Kirchhoff’s Voltage and current laws
Steps to solve circuit by Kirchhoff’s Laws.
1. Construct circuit with circuit magic schematics editor.

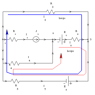
Circuit sample from circuit magic.
2. Construct loops. (See
“creating loop” section in user guide) Number of loops (and number of
Kirhhoff’s Voltage laws equations) can be determined using following formula. Loop can not
include branches with current sources. Due current sources resistance equal infinity.
Loop Number = Branch Number –(Nodes Number –1) – Current sources Number
3.
Select Analyze->Solve by Kirhhoff’s laws menu item
- In dialog box press OK button. if no warning shown.
- Read solution.
Solution example from circuit magic.
Writing Kirchhoff current law for 3-1 nodes
(Note number of Kirchhoff current laws equations equal Nodes Number –1)
(Node 1)J
1+I3+I4+I7=0
(Node 2)-J
1+I2-I4=0
Wrining Kirchoff voltage law for 5-1-(3-1) loops
(Loop1) I
3·R3-I7·R5=-E2
(Loop2) I
2·R2-I7·R5+I4·R4=E1-E2
Linear equations
I
3+I4+I7=-2
I
2-I4=2
10I
3-10I7=-10
11I
2+10I4-10I7=-7
Equations solution
I
1=2
I
2=0,692
I
3=-0,846
I
4=-1,308
I
7=0,154